
一氧化氮流量計
- 品*:JKM/凱銘儀表
- 型號:JKM-LUGB
- 測量范圍:5-11000m3/h
- 精度等級:1.5級、1.0級
- 公稱通徑:DN20~DN1200
- 適用介質:氣體、液體、蒸汽
- 工作壓力:1.6MPa~10MPa
- 工作溫度:-80℃~450℃
- 供電方式:24VDC 鋰電池
- 訂貨號:TDX916357SNY

一氧化氮流量計流量范圍
| DN(mm) | 液體 | 氣體 | 蒸汽 |
| 20 | 0.8-10 | 5-40 | 8-80 |
| 25 | 1-12 | 7.2-60 | 10-120 |
| 32 | 1.5-20 | 12-100 | 15-200 |
| 40 | 2-30 | 18-150 | 20-300 |
| 50 | 3-50 | 30-300 | 30-450 |
| 65 | 6-80 | 50-420 | 60-800 |
| 80 | 10-130 | 70-600 | 100-1300 |
| 100 | 20-200 | 120-1000 | 200-2000 |
| 125 | 30-300 | 180-1500 | 300-3000 |
| 150 | 45-450 | 240-2000 | 450-4500 |
| 200 | 90-900 | 480-4000 | 900-9000 |
| 250 | 120-1200 | 700-8000 | 1200-12000 |
| 300 | 180-2000 | 900-10000 | 1600-16000 |
一氧化氮流量計外形尺寸
一氧化氮流量計選型
| 型 譜 | 說 明 | |||||||||||
| LU | 渦街流量計 | |||||||||||
| G | 傳感器 | |||||||||||
|
檢測 方式 | B | 壓電式傳感器 | ||||||||||
| E | 電容式傳感器 | |||||||||||
| 連接方式 | 1 | 僅對滿管型 | 法蘭連接型 | |||||||||
| 2 | 僅對滿管型 | 法蘭卡裝型 | ||||||||||
| 3 | 僅對插入型 | 簡易插入型 | ||||||||||
| 4 | 僅對插入型 | 球閥插入型 | ||||||||||
| 5 | 僅對滿管型 | 螺紋連接型 | ||||||||||
| 6 | 僅對滿管型 | 卡箍連接型 | ||||||||||
| 7 | 僅對滿管型 | 對焊型 | ||||||||||
| 測量介質 | 2 | 液體 | ||||||||||
| 3 | 氣體 | |||||||||||
| 4 | 蒸汽 | |||||||||||
| 公稱通徑 |
02 … 30 A0 … A8 |
|
DN25 … 單位:mm DN300 DN1000 … DN1800 | |||||||||
|
顯示 文字 | E | 英文顯示 | ||||||||||
| C | 中文顯示 | |||||||||||
| 使用環境 | P | 普通型 | ||||||||||
| B | 防爆型 | |||||||||||
| 輸出信號 | 本項可復選 | 1 | 脈沖輸出 | |||||||||
| 2 | 4~20mA電流輸出,液晶顯示 | |||||||||||
| 3 | RS-485通訊 | |||||||||||
| 4 | HART協議 | |||||||||||
| 5 | 電池供電 | |||||||||||
| 補償方式 | 空 | 無補償 | ||||||||||
| T | 溫度補償 | |||||||||||
| P | 壓力補償 | |||||||||||
| Z | 溫度、壓力補償 | |||||||||||
|
選型 說明 |
例如: LUGE2405E-P2Z 滿管型電容式渦街流量儀表,法蘭卡裝型連接,介質為蒸汽, 儀表通徑為DN50,英文顯示, 4~20mA電流信號輸出,溫壓補償型 | |||||||||||
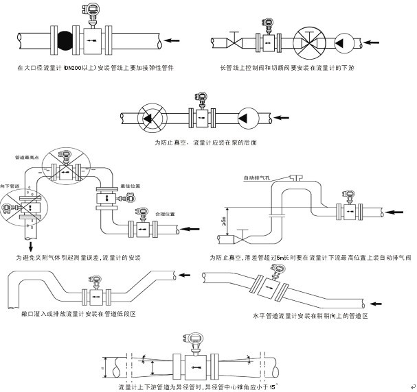
一氧化氮流量計安裝
1、合理選擇安裝場所和環境。避開強電力設備,高頻設備,強電源開關設備;避開高溫熱源和輻射源的影響,避開強烈震動場所和強腐蝕 環境等,同時要考慮安裝維修方便。
2、上下游必須有足夠的直管段。若傳感器安裝點的上游在同一平面上有二個90°彎頭,則:上游直管段≥25D,下游直管段≥5D 。若傳感器安裝點的上游在不同平面上有二個90°彎頭,則:上游直管段≥40D,下游直管段≥5D 。調節閥應安裝在傳感器的下游5D以外處,若必須安裝在傳感器的上游,傳感器上游直管段應不小于50D,下游應有不小于5D。
3、安裝點上下游的配管應與傳感器同心,同軸偏差應不小于0.5DN。
4、管道采取減振動措施。傳感器盡量避免安裝在振動較強的管道上,特別是橫向振動。若不得已要安裝時,必須采取減振措施,在傳感器的上下游2D處分別設置管道緊固裝置,并加防振墊。
5.渦街流量計在水平管道上安裝是流量傳感器*常用的安裝方式。測量氣體流量時,若被測氣體中含有少量的液體(液體流量計),傳感器應安裝在管線的較高處。測量液體流量時,若被測液體中含有少量的氣體,傳感器應安裝在管線的較低處。
6.傳感器在垂直管道的安裝。測量氣體流量時,傳感器可以安裝在垂直管道上,流向不限。若被測氣體中含有少量的液體,氣體流向應由下向上。測量液體流量時,液體流向應由下向上:這樣不會將液體重量額外附加在探頭上。
7、在水平管道的側裝。無論測量何種流體,傳感器可以在水平管道上側裝,特別是測量過熱蒸汽,飽和蒸汽和低溫液體,若條件允許*好采用側裝,這樣流體的溫度對放大器的影響較小。
8.傳感器在水平管道的倒裝。一般情況下不推薦用此安裝方法。此安裝方法不適用于測量一般氣體、過熱蒸汽。可用于測量飽和蒸汽,適用于測量高溫液體或需經常清洗管道的情況。
9.在有保溫層管道上的安裝。測量高溫蒸汽時,保溫層*多不能超過支架高度的三分之一。
10.測壓點和測溫點的選擇。根據測量的需要,需在傳感器附近測量壓力和溫度時,測壓點應在傳感器下游的3-5D處,測溫點應在傳感器下游的6-8D處。



